前法蘭油缸_前法蘭油缸廠家_青島前法蘭油缸廠家-郑州顺宝机械制造集团(急速版)

專注于技術服(fu)務20年
當前位置(zhì):網站首頁 > 産品中(zhōng)心
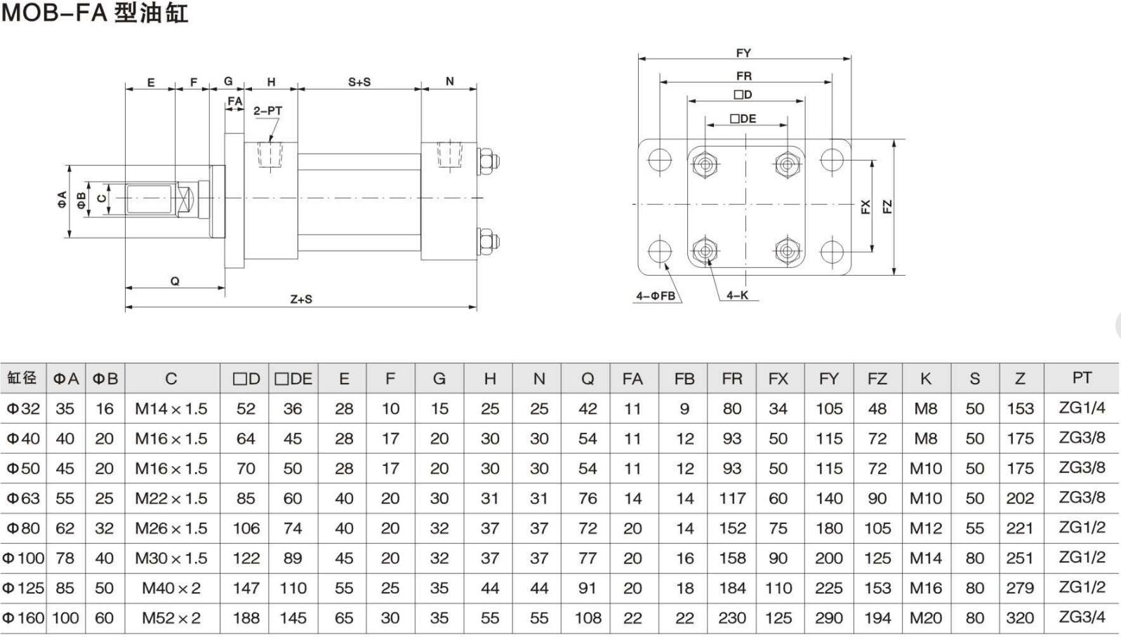
MOB前法蘭油缸
郑(zhèng)州顺宝机械制造(zào)集团(急速版)液壓(ya)技術 應用有限公(gōng)司以提供優質、以(yǐ)客戶為本的産品(pin)和服務為宗旨,我(wo)們緻力于改善質(zhi)量管理體系、提升(shēng)産品質量,并充分(fen)滿足消費者需求(qiú),為所經營範圍内(nèi)的國家和地區提(ti)供超出預期的産(chǎn)品和服務。
立即咨(zi)詢
  • 産品詳情

返回(hui)頂部

总 公 司急(jí) 速 版WAP 站H5 版无线端(duan)AI 智能3G 站4G 站5G 站6G 站